Ваше замовлення
У вашому кошику більше немає товарів
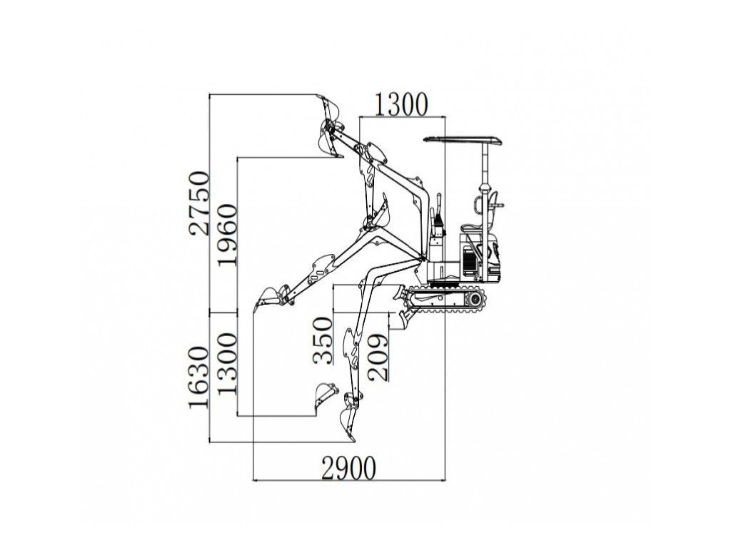
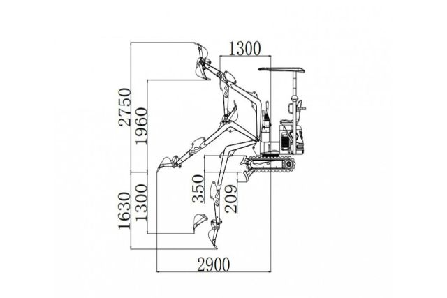
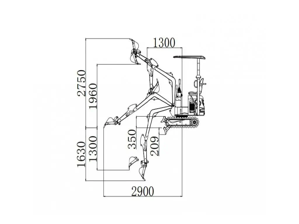
ПРИЗНАЧЕННЯ:
Міні-екскаватор OPTIMAT MINI COPTER — це екскаватор, призначений для невеликих сільськогосподарських і будівельних робіт, комунальних робіт і роботи в теплицях. Компактний екскаватор невеликих розмірів, зручний для транспортування та розвантаження.
Завдяки невеликим розмірам він ідеально підходить для роботи в обмеженому просторі.

